biSheep
Määäähhhhhhhh-BOT-MOD-ADMIN
- Dabei seit
- 19.04.2005
- Beiträge
- 5.116
- Punkte Reaktionen
- 71
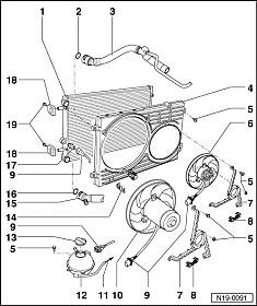
gibt es mal bilder von der alten und neuen version der lüfter?
was muss ich alles abbauen um die zu wechseln?
Wir haben die in der WS verglichen als ich beim speci war. Kein Unterschied zu erkennen, lediglich der TN-Index hat sich geändert.
was kann passieren wenn die weiterhin kaputt bleiben? kann der motor fritte gehen?
Naja wenn beide Lüfter ganz ausfallen schon.
Das Problem ist das die Temperatur zu stark schwankt und das belastet die ZKD mehr. Zudem sinkt die Kühlleistung der Klimaanlage.
Bei mir liefen die Lüster immer auf Stufe 2, dann wieder aus, dann wieder Stufe 2.... nicht gut ....
